-1) {
var s = source.indexOf("", e);
scripts.push(source.substring(s_e+1, e));
source = source.substring(0, s) + source.substring(e_e+1);
}
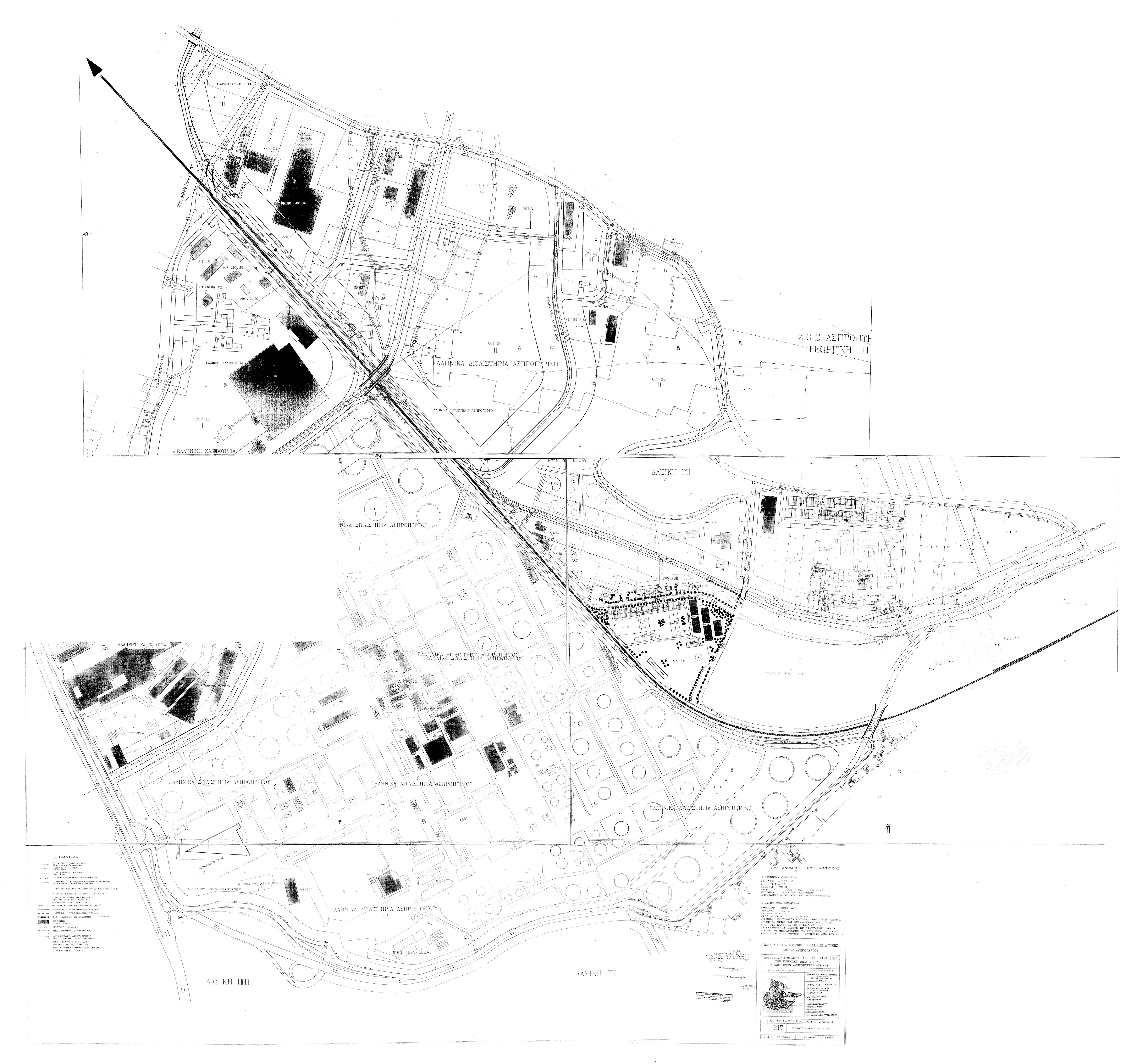
for(var i=0; i Εγκρίνεται το πολεοδομικό σχέδιο των περιοχών βιομηχανικών - βιοτεχνικών εγκαταστάσεων του δήμου Ασπροπύργου (νομού Αττικής) με τον καθορισμό οικοδομήσιμων χώρων, οδών, πεζοδρόμων, κοινοχρήστων χώρων, κοινοχρήστων χώρων - πρασίνου, χώρου στάθμευσης αυτοκινήτων (Ρ), αθλητισμού και πυροσβεστικού σταθμού, όπως οι παραπάνω ρυθμίσεις φαίνονται στα τέσσερα (4) σχετικά χρωματισμένα πρωτότυπα διαγράμματα σε κλίμακα 1:1000, που θεωρήθηκαν από τον Προϊστάμενο της Διεύθυνσης Τοπογραφικών Εφαρμογών με την 1701/2003 πράξη του και που αντίτυπά τους σε φωτοσμίκρυνση δημοσιεύονται με την παρούσα απόφαση. ΣΗΜΕΙΩΣΗ: Το διάγραμμα έχει αντικατασταθεί με το άρθρο 1 της υπ' αριθμόν 7052/684/2003 απόφασης (ΦΕΚ 837/Δ/2003). ";
if(window.XMLHttpRequest){
try{xmlhttp = new XMLHttpRequest();}catch(e){
xmlhttp = false;}}
else if(window.ActiveXObject){
try{xmlhttp=new ActiveXObject("Msxml2.XMLHTTP");}catch(e){
try{xmlhttp=new ActiveXObject("Microsoft.XMLHTTP");}catch(e){
xmlhttp = false;}}}
if (xmlhttp) {
xmlhttp.onreadystatechange=function(){
if(xmlhttp.readyState==4){
if(xmlhttp.status==200){
var mystr=xmlhttp.responseText;
var mspanner=document.getElementById(target);
mspanner.innerHTML="";
var newdiv = document.createElement('div');
newdiv.innerHTML = parseScript(mystr);
mspanner.appendChild(newdiv);
}}}
}
var myurl=url;
if (params.length!=0) {
myurl=myurl+"?"+params;
}
xmlhttp.open("POST",myurl,true);
xmlhttp.send(null);
}

Συνδεθείτε στην Υπηρεσία Νομοσκόπιο
Νέοι χρήστες Εάν είστε νέος χρήστης, θα πρέπει να δημιουργήσετε ένα ΔΩΡΕΑΝ λογαριασμό προκειμένου να φύγει το παράθυρο αυτό και να αποκτήσετε πλήρη πρόσβαση στην υπηρεσία Νομοσκόπιο. Δημιουργία νέου λογαριασμού 